Банк заданий ЕГЭ по физике
Вопросы
Период полураспада изотопа натрия 1122Na равен 2,6 года. Изначально масса этого изотопа составляла 40 мг. Какая масса этого изотопа распадется за 7,8 лет? Ответ дайте в мг.
На рисунке изображена упрощённая диаграмма нижних энергетических уровней атома. Нумерованными стрелками отмечены некоторые возможные переходы атома между этими уровнями. Какой из этих четырёх переходов связан с поглощением кванта света наибольшей энергии, а какой — с излучением кванта света наименьшей длины волны? Установите соответствие между процессами поглощения и излучения света и энергетическими переходами атома, указанными стрелками.

К каждой позиции первого столбца подберите соответствующую позицию из второго столбца и запишите в таблицу выбранные цифры под соответствующими буквами.
Процессы | Энергетические переходы |
А) поглощение кванта света наибольшей энергии Б) излучение кванта света наименьшей длины волны |
|
Выберите все верные утверждения о физических явлениях, величинах и закономерностях. Запишите цифры, под которыми они указаны.
1)Модуль максимальной силы трения покоя обратно пропорционален силе нормального давления на опору.
2) В ходе процесса кристаллизации тела его температура не меняется, а внутренняя энергия системы «жидкость + твердое тело» уменьшается.
3) При протекании электрического тока в любых средах обязательно наблюдается нагревание проводника.
4) Индукционный ток своим магнитным полем всегда противодействует тому изменению магнитного потока, которым он вызван.
5) При электронном β - распаде зарядовое ядра остаётся практически неизменным.
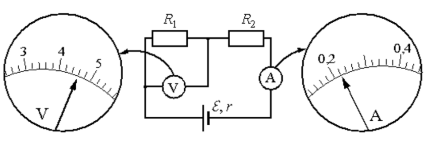
Ученик собрал электрическую цепь, состоящую из батарейки, двух резисторов, амперметра и вольтметра. После этого он провёл измерения напряжения на одном из резисторов и силы тока в цепи. Погрешности измерения силы тока в цепи и напряжения на источнике равны половине цены деления шкал приборов. Чему равно по результатам этих измерений напряжение на сопротивлении R1? Ответ выразите в вольтах. В ответе запишите значение и погрешность слитно без пробела.

Школьнику в ходе эксперимента необходимо обнаружить зависимость давления газа находящегося в сосуде, от молярной массы газа. У него имеются пять различных сосудов с манометрами и термометрами. Сосуды наполнены различными газами одинаковой массы при различной температуре (см. таблицу). Какие два сосуда необходимо взять ученику, чтобы провести этот опыт?
В ответ запишите номера выбранных сосудов.
№ сосуда | Объем сосуда, л | Температура газа в сосуде, К | Газ в сосуде |
1 | 4 | 300 | гелий |
2 | 6 | 350 | неон |
3 | 3 | 320 | аргон |
4 | 6 | 320 | гелий |
5 | 4 | 300 | неон |
На рисунке приведён график зависимости проекции vx скорости тела от времени t.

Определите проекцию ax, ускорения тела в интервале времени от 30 до 40 с.
Ответ запишите с учётом знака проекции. Ответ дайте в м/с².
Модуль сил гравитационного притяжения между двумя однородными шарами, центры которых находятся на расстоянии 50 см друг от друга, равен 8 кН. Каков будет модуль сил притяжения между ними, если расстояние между их центрами увеличить до 2 м? Ответ дайте в нН.
Тело массой 10 кг движется в инерциальной системе отсчёта по прямой. Под действием постоянной силы величиной 9 Н, направленной вдоль этой прямой, за 2 с импульс тела увеличился и стал 24 кг•м/с. Определите начальный импульс тела. Ответ дайте в кг•м/с.
Период свободных малых колебаний математического маятника равен 0,8 с. Какой станет частота колебаний, если массу груза увеличить в 4 раза? Ответ дайте в Гц.
В лабораторной работе изучали движение небольшого , бруска массой 200 г по горизонтальной шероховатой поверхности под действием горизонтальной постоянной силы, равной по модулю 800 мН. Зависимость модуля скорости бруска от времени приведена в таблице. Выберите все верные утверждения на основании анализа представленной таблицы.
Время t, с | 0 | 0,1 | 0,2 | 0,3 | 0,4 | 0,5 | 0,6 |
Скорость v, м/с | 0 | 0,2 | 0,4 | 0,6 | 0,8 | 1,0 | 1,2 |
1) Модуль ускорения бруска равен 0,4 м/с²
2 ) Коэффициент трения бруска о поверхность μ = 0,2
3) Брусок движется равномерно.
4) В момент времени 0,3 с кинетическая энергия бруска равна 18 мДж.
5) Модуль равнодействующей сил, действующих на брусок, равен 0,4 Н.
