Задание 17247 ЕГЭ по физике
КИМ №15
1 часть
Раздел: Электродинамика
Тема: Колебательный контур
Источник: Открытый банк заданий ФИПИ
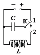
Конденсатор идеального колебательного контура длительное время подключён к источнику постоянного напряжения
(см. рисунок). В момент переключатель К переводят из положения 1 в положение 2. Графики А и Б отображают изменения физических величин, характеризующих электромагнитные колебания в контуре после этого (T -период колебаний).Установите соответствие между графиками и физическими величинами, зависимости которых от времени эти графики могут отображать.

К каждой позиции первого столбца подберите соответствующую позицию из второго столбца и запишите в таблицу выбранные цифры под соответствующими буквами.
