Задание 17085 ЕГЭ по физике
КИМ №11
1 часть
Раздел: Электродинамика
Тема: Электрический ток
Источник: Открытый банк заданий ФИПИ
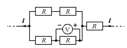
Пять одинаковых резисторов с сопротивлением 25 Ом каждый соединены в электрическую цепь, через которую течёт ток А (см. рисунок). Какое напряжение показывает идеальный вольтметр?
