Задание 17079 ЕГЭ по физике
КИМ №11
1 часть
Раздел: Электродинамика
Тема: Электрический ток
Источник: Открытый банк заданий ФИПИ
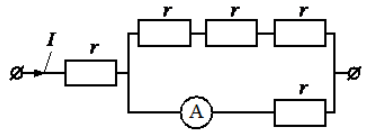
Через участок цепи (см. рисунок) течёт постоянный ток А. Какую силу тока покажет включённый в эту цепь идеальный амперметр, если сопротивление каждого резистора Ом?
