Задание 13270 ЕГЭ по физике
КИМ №26
2 часть
Раздел: Механика
Тема: Динамика и второй закон Ньютона
Источник: М.Ю. Демидова
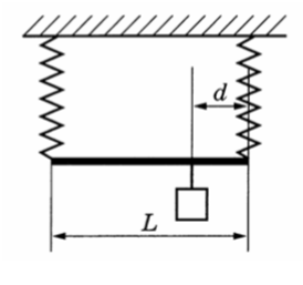
К двум вертикально расположенным пружинам одинаковой длины подвесили однородный стержень длиной L = 40 см. Если к этому стержню подвесить груз массой m = 3 кг на расстоянии d = 5 см от правой пружины, то стержень будет расположен горизонтально, а растяжения обеих пружин будут одинаковы (см. рисунок). Жесткость левой пружины в 3 раза меньше, чем у правой. Чему равна масса М стержня? Сделайте рисунок с указанием сил, использованных в решении задачи. Обоснуйте применимость законов, используемых при решении задачи.
