Задание 13244 ЕГЭ по физике
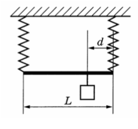
К двум вертикально расположенным пружинам одинаковой длины подвесили однородный стержень массой М = 2 кг и длиной L = 40 см. Если к этому стержню подвесить груз на расстоянии d = 5 см от правой пружины, то стержень будет расположен горизонтально, а растяжения обеих пружин будут одинаковы (см. рисунок). жесткость левой пружины в 3 раза меньше, чем у правой. Чему равна масса m подвешенного груза? Сделайте рисунок с указанием сил, использованных в решении задачи. Обоснуйте применимость законов, используемых при решении задачи.
